Hyppää pääsisältöön
  • ABB Finland
Etusivu ABB Oy, Asennustuotteet
  1. Tuoteluettelo
  2. Asennustarvikkeet
  3. Maadoitustarvikkeet
  4. Maadoitusvanne
  5. Tinattua Kuparia

Tinattua kuparia

Maadoitusvanne

Tinattua kuparia


Tyyppi: PP36 Snro: 5026097 Tuotekoodi: 2TKA110011G1 GTIN: 6410050260974 Tuotekoodi: 2TKA110011G1 J

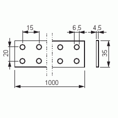
Maadoitusvannetta PP36 käytetään putkistojen maadoittamiseen. Mikäli maadoitusliittimeen kytketään 50 mm² tai 70 mm² Cu-johdin, on maadoitusvanteen molemmat päät puristettava liittimeen vastaavan johtokyvyn aikaansaamiseksi. Maadoitusvanne on 1,5 mm:n vahvuista hehkutettua ja tinattua kuparinauhaa. Pituus 1m. Tuotteen yhteensopivuus muiden materiaalien kanssa ja ympäristöolosuhteiden vaikutus on tarkasteltava tapauskohtaisesti.

Lataa

  • PDF-tuotekortti
  • Mittakuva (omaan ikkunaan)
  • REACH-ilmoitus
  • RoHS-ilmoitus
  • Vaatimustenmukaisuusvakuutus CE
  • Käyttöohje
Kaikki tuotetiedot ja ohjeet

Tekniset tiedot

Pakkaus

Paketti: 20
Yksikkö: kpl

ETIM Data

Puristus-/kiristysalue: 13...164 mm

Hyödyllisiä linkkejä

Esitteet

Esitteet

Videot

Videot

Tuoteuutuudet

Tuoteuutuudet

Sertifikaatit

Sertifikaatit

Yhteystiedot

Yhteystiedot

© 2026 ABB
  • Palveluntarjoajan tiedot
  • Tietosuojailmoitus
  • Muuta evästeasetuksia
Alueen / kielen valinta
  • Global - English
  • Finland - Suomi
  • Sweden - Svenska
Oma tuotekori
Tyhjennä kori


Tyyppi:
Snro:
Tuotekoodi:
GTIN:
Määrä
PDF-tuotekortti

Korissa ei ole tuotteita. Lisää joitakin.